$ 0
0
$ 0
0

TCR50 Workshop Manual

Format: PDF

Language: English

Size: 18.86 MB

Excellent Rating (4.8) on Trustpilot · Trusted Worldwide
Category:

Original price was: $ 50.Current price is: $ 40.

Share:

TCR50 Workshop Manual

TCR50 Workshop Manual

CONTENTES

 

TCR50 Workshop Manual 1. General Cautions for Maintenance Work
Correct Work
Safety Precautions
Preparations
Cautions for Disassembly and Reassembly
Removal and Installation of Hydraulic Equipment and Piping.
Handling Seals
Correct Installation of Hydraulic Hose.
Types of Hydraulic Hoses
How to Release Air from Hydraulic Units.
Releasing Air from the HST System
Releasing Air from Hydraulic Cylinder
Technical Data
Specifications.
Outside Drawing
Hydraulic Circuit Diagram
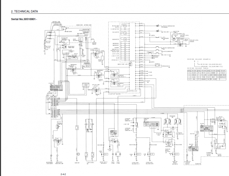
Electrical Circuit Diagram 3. Servicing Standards.
Machine Performance
Reference Value Table.
Methods for Inspecting Performance
Engine Servicing Standards (S/N: 30500003~30500038)

TCR50 Workshop Manual

Servicing Standards for Parts of Undercarriage
Control Equipment
Hydraulic Equipment
Hydraulic Cylinder
Tightening Torque Table
Tightening Torque for Bolts and Nuts for Vehicle

Engine Servicing Procedure
Inspection and Adjustment
Oil Inspection
Cooling Water Inspection
Inspecting Water Leak from Cooling Water System and Rediator
Fan Belt Tension Inspection and Adjustment
Adjusting the Valve Clearance
Inspecting the Fuel Injection Valve Injection Pressure and Spray Pattern
Fuel Injection Timing Inspection and Adjustment
Adjusting the No-load Maximum (or Minimum) Revolutions
Sensor Inspection
Engine Body
Introduction
Cylinder Head
Gear Train and Camshaft
Cylinder Block
Lubrication System
Lubrication System Diagram
Trochoid Pump Components
Disassembly (Reverse the procedure below for assembly)
Servicing Points 4-3-5. Parts Inspection and Measurement
Cooling System
Cooling Water System and Pump Components
Disassembly (Reverse the procedure below for assembly)
Servicing Points
Fuel Injection System/Governor
Introduction
Fuel Injection Pump Valve and
Feed Pump
Governor
Special Service Tools for Disassembly/Assembly
Starting Motor
Specifications
Alternator
Specifications
Special Service Tools
Special Tools
Measuring Instruments
Hydraulic System, Units andPump
Gear Pump (S/N: 30510001~ )
Travel Motor (S/N: 30500003~30500038)
Travel Motor (S/N: 30510001~ )
Swing Motor
Control Valve
Solenoid Valves
Pilot Valve
Swivel Joint
Cylinders
Pressure Adjustments
Service Procedures for Individual Components
Undercarriage
Removing and Installing the Crawler
Removing and Installing the Travel Motor
Disassembling and Assembling the Idler
Carrier Roller
Track Roller
Installing the Floating Seal
Removing and Installing the Shoe Tension Cylinder
Fuel, Lube Oil and Grease Recommended
Fuel, Lube Oil and Grease Recommended
Troubleshooting

Troubleshooting
HST Troubleshooting

Contact US

Related Manuals

0
    0
    Your Cart
    Your cart is emptyReturn to Shop