$ 0
0
$ 0
0

Airman AX35u-4 Mini Excavator Parts and Inner Parts Catalog

Format: PDF (Printable Document)

File Language: English

File Pages: 716

File Size: 33.19 MB (Speed Download Link)

Brand: Airman (Hitachi)

Model: AX35u-4 Mini Excavator

Type of Document: Parts and Inner Parts Catalog

Categories: , ,

$ 45

Share:

Airman AX35u-4 Mini Excavator Parts and Inner Parts Catalog

Airman AX35u-4 Mini Excavator Parts and Inner Parts Catalog

📘 Show Index

Airman AX35u-4 Mini Excavator Parts and Inner Index:

PUMP
POMP
PUMP:PISTON
MOTOR; OIL
MOTOR ;OIL (SWING}
•POTOR;OIL (1/2)
•WOTOR;OIL (2/2)
MOTOR:OIL (TRAVEL)
•mTOR;OlL
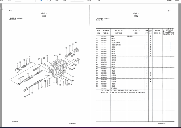
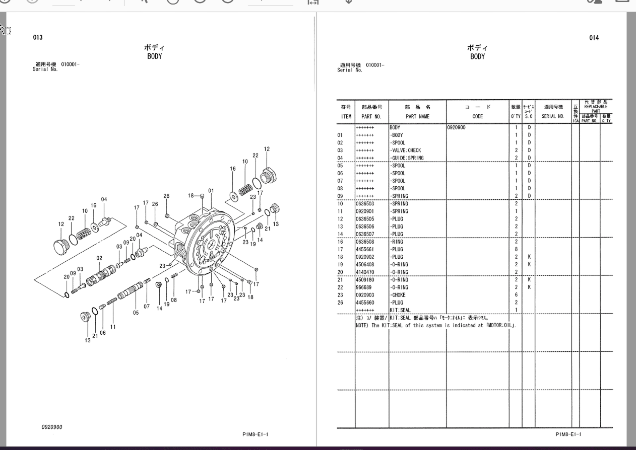
• .B00Y
VALVE
VALVE CONTROL
•SPOOL SECTION (BUCKET)
•SPOOL SECTION (BCOM)
•SPOOL SECTION (TRAVEL
•SPACER SECTION (INLET)
• SPOOL SECTION
•SPOOL SECTION
•SPOOL SECTION
•SPOOL SECTION
•SPOOL SECTION
•SPOOL SECTION
•SPOOL SECTION
.SPOOL ION
(TRAVEL : R)
(ARM)
(RESERVE)
(FLOW SELECT)
(BOON stat NG)
(BLADE)
(STRAIGHT TRAVEL)
VALVE:PILOT (FRONT, SWING)
VALVE:PILOT (TRAVEL)
VALVE:PILOT (SWING, BLADE)
VALVE ; SOLENOID
VALVEROTARY (2 WAY)
VALVE;ROTARY (4 WAY)

JOIN -r; CENTER
JOINT :CENTER
CYLINDER
CYC. :BOOM (CANOPY)
: BOOM (CAB)
CYC.
CYC. ,ARM
CYL
. BUCKET
CYL- ;SWING
CYC. :BLADE

Airman

 

Latest Product

0
    0
    Your Cart
    Your cart is emptyReturn to Shop