10% OFF on all manuals and programs. Use code: MCAT10
$ 0
0
$ 0
0

Manitou 110 ELX REPAIR MANUAL

Format: PDF

Language: EN

Size: 1.28 MB

Pages: 90

Speed Download Link

Excellent Rating (4.8) on Trustpilot · Trusted Worldwide
Category:

Original price was: $ 50.Current price is: $ 40.

Share:

Manitou 110 ELX REPAIR MANUAL

Manitou 110 ELX REPAIR MANUAL

What does this catalog contain?

Manitou 110 ELX REPAIR MANUAL contains high quality images, diagrams, instructions to help you to operate, maintenance, diagnostic, and repair your machine. This document is printable, without restrictions, contains searchable text and bookmarks for easy navigation.

Manitou 110 ELX REPAIR MANUAL includes:

  • Numbered table of contents easy to use so that you can find the information you need fast.
  • Detailed sub-steps expand on repair procedure information.
  • Numbered instructions guide you through every repair procedure step by step.
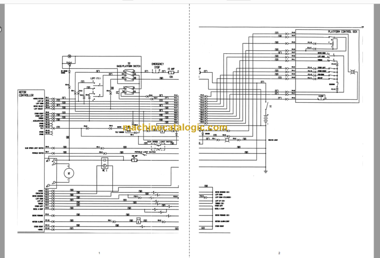
  • Troubleshooting and electrical service procedures are combined with detailed wiring diagrams for ease of use.
  • Notes, cautions and warnings throughout each chapter pinpoint critical information.
  • Bold figure number help you quickly match illustrations with instructions.
  • Detailed illustrations, drawings and photos guide you through every procedure.
  • Enlarged inset helps you identify and examine parts in detail.

What will you get when you get this service catalog?

  • After payment has been received, a few minutes later.
  • Lifetime PDF and Access To Download (By Request).
  • Compatible With Windows, Mac, IOS, Android and Other Systems.
  • Searchable Text and Built-in Index For Instant Information Search Bookmarks.
  • Printable – Pages Or Entire Manual.
  • Zoomable – Detailed Exploded Diagrams, Picture.

TABLE OF CONTENT OF THE 110 ELX REPAIR MANUAL

General
Technical characteristics
Steering
Steering
Brake
Brake – Motor
Chassis
Anti overturning system
Hydraulic
Hydraulic diagram
Hydraulic system components
Electricity
Electrical diagram
Electrical components
SEVCON Variator
Position of sensors
Troubleshooting
Troubleshooting

MANITOU

Latest Product

0
    0
    Your Cart
    Your cart is emptyReturn to Shop