10% OFF on all manuals and programs. Use code: MCAT10
$ 0
0
$ 0
0

27SR ACERA SERVICE MANUAL

Kobelco Compact Crawler excavator 27SR ACERA SERVICE MANUAL

Format: PDF

Language: EN

Size:54.5

Pages:841

Excellent Rating (4.8) on Trustpilot · Trusted Worldwide
Category:

Original price was: $ 50.Current price is: $ 40.

Share:

27SR ACERA SERVICE MANUAL

27SR ACERA SERVICE MANUAL

27SR ACERA SERVICE MANUAL

27SR ACERA
TIER 4
COMPACT CRAWLER EXCAVATOR
TABLE OF CONTENTS
SECTON
SAFETY AND GENERAL NFORMATON
Secton Table of Contents
Book/Form Number: 5680 NA
CHAPTER
GENERAL PRECAUTONS FOR MAKNG REPARS
Table of Contents
Book/Form Number: 5690 NA
CHAPTER
SPECFCATONS
Table of Contents
Book/Form Number: 5600 NA
CHAPTER
ATTACHMENT DMENSONS
Table of Contents
Book/Form Number: 560 NA
SECTON
MANTENANCE
Secton Table of Contents
Book/Form Number: 560 NA
CHAPTER
TOOLS
Table of Contents
Book/Form Number: 560 NA
CHAPTER
STANDARD MANTENANCE TME TABLE
Table of Contents
Book/Form Number: 560 NA
CHAPTER
MANTENANCE STANDARD AND TEST PROCEDURE
Table of Contents
Book/Form Number: 5650 NA
SECTON
SYSTEMS
Secton Table of Contents
Book/Form Number: 5660 NA
CHAPTER
HYDRAULC SYSTEM
Table of Contents
Book/Form Number: 5670 NA
CHAPTER
27SR ACERA
TIER 4
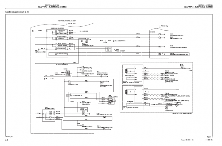
COMPACT CRAWLER EXCAVATOR ELECTRCAL SYSTEM
Table of Contents
Book/Form Number: 5680 NA
CHAPTER
COMPONENT SYSTEM
Table of Contents
Book/Form Number: 5690 NA
SECTON
DSASSEMBLY AND ASSEMBLY
Secton Table of Contents
Book/Form Number: 5600 NA
CHAPTER
ATTACHMENTS
Table of Contents
Book/Form Number: 560 NA
CHAPTER
UPPER STRUCTURE
Table of Contents
Book/Form Number: 560 NA
5660 NA
7SR ACERA
ssued 09008 Bur 5660 NA
CHAPTER
TRAVEL SYSTEM
Table of Contents
Book/Form Number: 560 NA
SECTON 5
TROUBLESHOOTNG
Secton Table of Contents
Book/Form Number: 560 NA
CHAPTER
27SR ACERA
TIER 4
COMPACT CRAWLER EXCAVATOR TROUBLESHOOTNG (HYDRAULC SYSTEM)
Table of Contents
Book/Form Number: 5650 NA
CHAPTER
TROUBLESHOOTNG (ELECTRCAL SYSTEM)
Table of Contents
Book/Form Number: 5660 NA
CHAPTER
TROUBLESHOOTNG (ENGNE)
Table of Contents
Book/Form Number: 5670 NA
SECTON 6
ENGNE
Secton Table of Contents
Book/Form Number: 5680 NA
CHAPTER
ENGNE
27SR ACERA SERVCE MANUAL

Latest Product

0
    0
    Your Cart
    Your cart is emptyReturn to Shop