$ 0
0
$ 0
0

BOBCAT BATS 01.2022 [ Bobcat Advanced Troubleshooting System]

Region: All regions

Languages: English

OS: All OS

Size: 5.6 GB zip

Brand: Bobcat

Type of Software: Advanced Troubleshooting

Update: 01.2022

Excellent Rating (4.8) on Trustpilot · Trusted Worldwide
Category:

Original price was: $ 250.Current price is: $ 200.

Share:

BOBCAT BATS 01.2022 [ Bobcat Advanced Troubleshooting System]

BOBCAT BATS 01.2022 [ Bobcat Advanced Troubleshooting System]

1. Machine Information
Manual Identification: Allows manual entry of serial numbers.
2. Maintenance Safety Instructions
The Maintenance Safety Instructions contain important safety and procedural related
documentation for the machine type selected from the Machine Selection Page.
Each machine type (selected on the Machine Selection Page /Home page) has
specific information related to that product.
3. Technical Information
Technical Information contains commonly used documents for the machine type
selected. This can include Sensor Tables, Calibration Procedures, and other
commonly accessed information that can assist the Technician.
4. Document Library (All Products) – Not Serial Number Sorted
All Warnings: View all Warning Information for Service codes.
All Service codes: Lists all Service codes available.
Troubleshooting charts organized by Controller and Error
Code
All Service Letters
and Service News
for Today: Lists all service letters, field modifications letters and service
news of today.
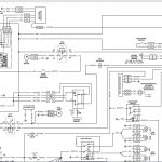
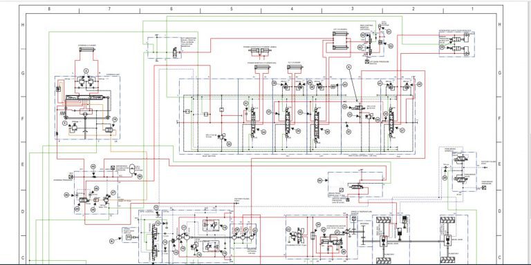
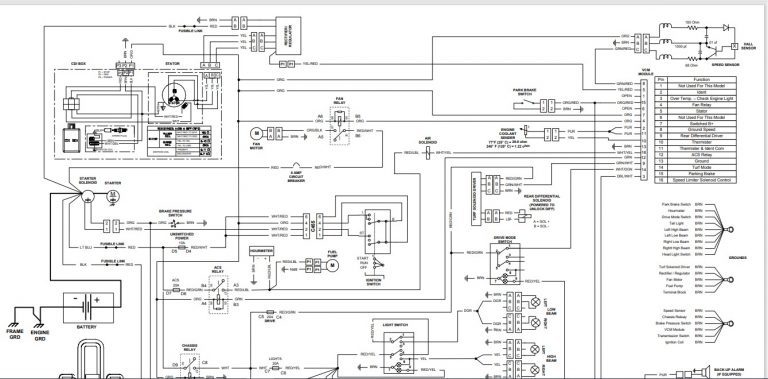
All Schematics: Lists all electrical and hydraulic Schematics.
All Components: Locations in BATS sorted by Machine Type.
Glossary: Glossary of commonly used acronyms found in BATS.

Related Manuals

0
    0
    Your Cart
    Your cart is emptyReturn to Shop