$ 0
0
$ 0
0

EH45 SERVICE MANUAL

Format: PDF

Language: EN

Size: 39.45 MB

Pages: 696

Speed Download Link

Category:

Original price was: $ 50.Current price is: $ 40.

Share:

EH45 SERVICE MANUAL

EH45 SERVICE MANUAL

What does this catalog contain?

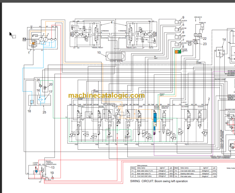
EH45 SERVICE MANUAL contains high quality images, diagrams, instructions to help you to operate, maintenance, diagnostic, and repair your machine. This document is printable, without restrictions, contains searchable text and bookmarks for easy navigation.

EH45 SERVICE MANUAL includes:

  • Numbered table of contents easy to use so that you can find the information you need fast.
  • Detailed sub-steps expand on repair procedure information.
  • Numbered instructions guide you through every repair procedure step by step.
  • Troubleshooting and electrical service procedures are combined with detailed wiring diagrams for ease of use.
  • Notes, cautions and warnings throughout each chapter pinpoint critical information.
  • Bold figure number help you quickly match illustrations with instructions.
  • Detailed illustrations, drawings and photos guide you through every procedure.
  • Enlarged inset helps you identify and examine parts in detail.

What will you get when you get this service catalog?

  • After payment has been received, a few minutes later.
  • Lifetime PDF and Access To Download (By Request).
  • Compatible With Windows, Mac, IOS, Android and Other Systems.
  • Searchable Text and Built-in Index For Instant Information Search Bookmarks.
  • Printable – Pages Or Entire Manual.
  • Zoomable – Detailed Exploded Diagrams, Picture.

TABLE OF CONTENT OF THE EH45 SERVICE MANUAL

TABLE OF CONTENTS
Safety Precautions
Section 1: Specifications
Section 2: Maintenance
Section 3: System
Section 4: Disassembly and Assembly
Section 5: Troubleshooting
Section 6: Engine

Moreover

  • This is the same manual used by the dealers to diagnose and troubleshoot your vehicle.
  • After completing the purchase process, you will receive a message from live support, and the download link will be sent to you within minutes. Additionally, the download process will also be emailed to the backup email address you provided during the purchase.
  • Need any other service / repair / parts manual, please feel free to contact info@machinecatalogic.com. We still have 150,000 manuals unlisted.

Find our other New Holland products.

Latest Product

0
    0
    Your Cart
    Your cart is emptyReturn to Shop